Introduction
Retaining walls are relatively rigid walls used for supporting the soil mass laterally so that the soil can be retained at different levels on the two sides. Retaining walls are structures designed to restrain soil to a slope that it would not naturally keep to (typically a steep, near-vertical or vertical slope). They are used to bound soils between two different elevations often in areas of terrain possessing undesirable slopes or in areas where the landscape needs to be shaped severely and engineered for more specific purposes like hillside farming or roadway overpasses.
Classification of Retaining Walls
Gravity Wall- Masonry or Plain Concrete
Cantilever Retaining Wall – RCC
Counterfort retaining wall – RCC
Buttress Wall – RCC

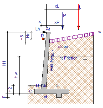
Cantilever retaining wall is the most common retaining wall due to its simpler construction procedure. These retaining walls can be construct up to 6 m height. Cantilever walls are very often designed with limit equilibrium methods, the designer calculates active and passive earth pressures. Water and other surcharges are also applied if applicable. To obtain an adequate safety the typical required wall embedment in cantilever walls is in the order of 1.5 times the excavation height.
While cantilever walls offer the advantage of an easy excavation the typical maximum depths are in the order of 15 ft or (4.5m). Beyond that depth, stiffer less economical wall sections will be required to limit horizontal wall displacements to tolerable limits. Deeper cantilever walls have been successfully used with small sections, their success was often the result of higher observed soil strengths in the field when compared to the typical conservative design values. Horizontal wall movements should be monitored when constructing deeper cantilever walls.
Design Procedure
Earth Pressure (P)
Earth pressure is the pressure exerted by the retaining material on the retaining wall. This pressure tends to deflect the wall outward.
Types of earth pressure:
Active earth pressure or earth pressure (Pa) and Passive earth pressure (Pp).
Active earth pressure tends to deflect the wall away from the backfill. Earth pressure depends on type of backfill, the,height of wall and the soil conditions.
Soil conditions: The different soil conditions are
• Dry leveled back fill
• Moist leveled backfill
• Submerged leveled backfill
• Leveled backfill with uniform surcharge
• Backfill with sloping surface
Analysis of Dry Back Fills



Stability Requirements of Retaining Wall
Retaining Wall should not overturn, it should not slide and it should not subside.
USING PROKON FOR RETAINING WALL DESIGN


In prokon we can insert above parameters to do the design of retaining walls.Prokon will give us the bending moments of the retaining wall and final bar schedule of the retaining wall.
It will separately give us a calculation sheet. In usual case, when we don’t have soil properties of a particular area we can use below values.
Soil Density = 18-19 kN/m^3
Soil Friction = 30 deg
Bearing Capacity = 120-150 kpa
Ka = 1/3 and Kp = 3
